微信扫码

  • 暂无热线电话
Cloud Zoom small image

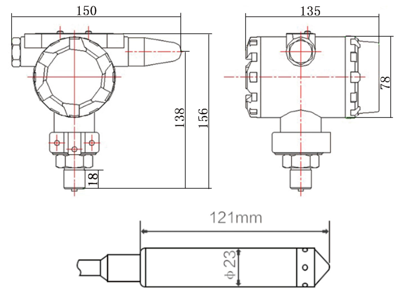
深井液位计化粪池液位计井下液位计河道海洋监测化工液位变送器

0.00
当前销售数量:0
 折扣:0折
本单还可以继续购买
数量: 库存 0

20231007135840_55952.png20231007135840_59287.png20231007135839_38989.png20231007104727_94649.png