微信扫码
◆
赵经理
◆
意见反馈
◆
暂无热线电话
收藏本站
购物车
网站主页
关于企业
企业简介
企业文化
产品中心
应用案例
应用领域
资料下载
新闻中心
德帕姆计量泵
加入我们
联系我们
网站主页
>
产品中心
>
计量泵
>
机械隔膜计量泵
>
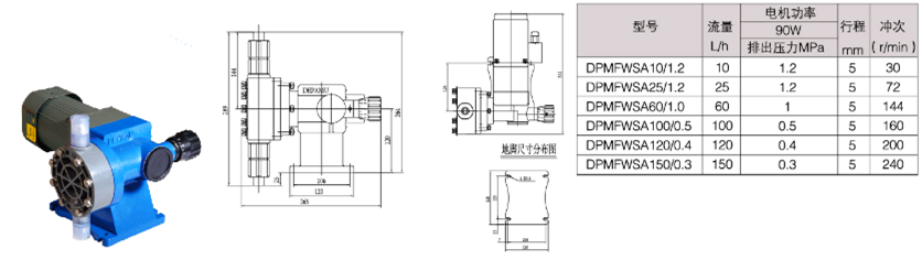
DPMWSA系列选型
机械隔膜计量泵:北京格瑞威特环保设备有限公司是德帕姆品牌指定代理商,长期备有充足的库存,随时去现场为客户解决售前和售后问题。
名称:DPMWSA系列选型
更多推荐 > >
可在线通过咨询了解详情
通过以下按钮进入下一步
立即询价
详情
评价
选型参数
此图为计量泵典型安装图,虚线部分为计量泵附件,客户可根据工况需要另购。详见计量泵附件
首页
上一页
下一页
尾页
特别推荐
电磁隔膜计量泵防腐加药泵pac投药泵盐酸水泵碱泵PAM定量泡沫泵
工业在线硬度监测仪中性在线硬度分析仪高精度硬度监测仪GW-T9269
NB无线液位表/窨井液位计/深井液位计化粪池液位计河道化工液位计
防腐电磁隔膜计量泵PVDF泵头PTFE管路Modbus-RS485/4-20MA计量泵
PH控制器PH计酸度计电极探头传感器常规水PH检测仪工业在线pH计